Реализованные проекты

Прессформа Пропеллер 10х5х3

Заказчик предоставил нам оригинальный пропеллер HQPROP.
Оригинал на переднем плане

Какая работа была выполнена?

  1. Выполнен 3D скан оригинальной детали.
  2. Создана качественная 3D модель с перерасчетом сечений лопасти.
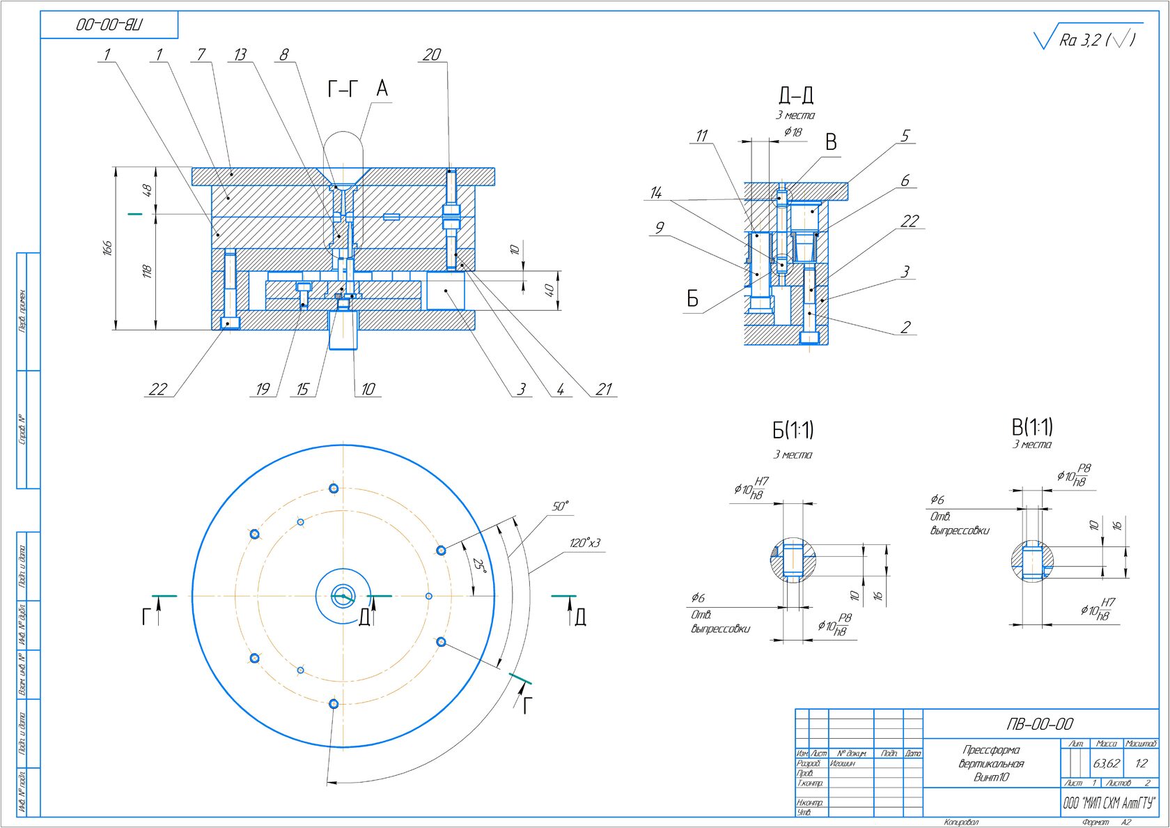
  3. Спроектирована и изготовлена прессформа 2 в 1
  4. На одной оснастке изготавливается левый и правый пропеллер, реализована смена формообразующих половинок.
Оригинал слева, ТМ справа

Изготовленные пропеллеры прошли испытания в зоне СВО.

Прессформа вертикальная Винт10 _ ПВ-00-00 СБ-01

Прессформа вертикальная Винт10 _ ПВ-00-00 СБ-01
Прессформа вертикальяная Винт10 _ ПВ-00-00 СБ-01